Транзисторный усилитель
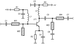
Данное устройство – простейший транзисторный усилитель СВЧ диапазона в микрополосковом исполнении.

Демонстрационный материал
Видео-ролики: Виртуальная лаборатория ПубликацииВойти
Возможна организация онлайн доступа для выполнения работ
Данный проект включен в программу
Есть вопросы?
Пишите нам
Наши специалисты всегда рады помочь Вам и ответят на все Ваши вопросы.